[vc_row][vc_column][vc_column_text css=”.vc_custom_1629037281300{margin: 0px !important;padding: 10px !important;background-color: #474747 !important;border: 2px initial #d8d8d8 !important;border-radius: 10px !important;}”]
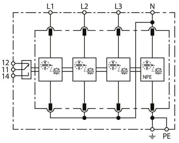
سرج ارستور یا برقگیر در قلب سیستم ساختمان نصب می شود. که همان تابلو برق اصلی ساختمان می باشد. نصب سرج ارستر در این محل باعث می شود که در صورت افزایش ولتاژ ناگهانی که اصطلاحا به آن سرج گفته می شود، بتواند از کل تجهیزات برقی ساختمان محافظت کند.
[/vc_column_text][vc_column_text]
در این نوشته قصد داریم به برخی پرسش های مهم که می توانند در راستای آشنایی ما با برقگیرها مفید باشند، بپردازیم. البته اگر در ابتدا به دنبال تعریفی کلی از سرج ارستر باشید می توانید به نوشته “برقگیر چیست” مراجعه نمایید. همانطور که در نوشته مذکور عنوان شد، سرج ارستر وسیله ای است جهت حفاظت از وسایل برقی در برابر ولتاژهای ناگهانی و بالا که عبور آن ها از مدار آن وسایل برقی می تواند باعث آسیب زدن به آن ها گردد.
همچنین این محصول دارای انواع و اقسام مختلفی است که هر کدام از آنها دارای ساختمانی ویژه هستند و کاربرد متناسب با خود را دارند. در مقاله “برقگیر (Surge Arrester) دارای چه انواعی است؟” می توانید با گونه های مختلف این محصول آشنا گردید.
محل نصب سرج ارستور یا برقگیر
این محصول در قلب سیستم ساختمان نصب می شود. که همان تابلو برق اصلی ساختمان می باشد. نصب سرج ارستر در این محل باعث می شود که در صورت افزایش ولتاژ ناگهانی که اصطلاحا به آن سرج گفته می شود، بتواند از کل تجهیزات برقی ساختمان محافظت کند. کارکرد آن ها چیست؟
وظیفه برقگیر آن است که از جرقه یا جریانات زیاد را در تابلو برق متوقف کند. این عمل باید قبل از آن صورت بگیرد که این جریان قوی وارد مدارخانه شود و به بقیه وسایل الکتریکی که در خانه دارند از جریان برق بهره می برند، برسد. در صورتی که سرج ارستر در محل مناسب نصب نشود، آنگاه باید جریان اضافی را هنگامی که به داخل خانه و در اطراف دیوارها، مبلمان ها، پرده ها و سایر وسایل آتش زا رسیده است، متوقف کند. به این ترتیب ضرورت دارد که حتما سرج ارستر یا برقگیر در تابلوی اصلی ورودی ساختمان نصب گردد.
برقگیر با جریان اضافی چه می کند؟
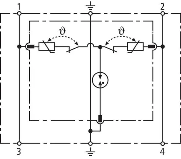
پاسخ به این پرسش آن است که سرج ارستر به دلیل کانتکت های درونی می تواند جریان را به گونه ای هدایت کند که وقتی ولتاژ بالا باشد، آن را به سمت زمین هدایت کند و برق وارده را به سیستم اتصال زمین منتقل کند. به همین منظور لازم است که از صحت و سلامت سیستم زمین مطمئن شوید. برای این منظور یک تکنسین برق لیان الکتریک می تواند سیستم اتصال زمین شما را بررسی کرده و از صحت و سلامت آن به شما اطمینان دهد. برای اطلاع از روند دقیق تر کارکرد این محصول به مقاله “برقگیر چگونه کار می کند؟” مراجعه کنید.
چند نکته را می توان به عنوان مزیت های دیگر برقگیر مورد اشاره قرار داد؛
- در مدارهای الکتریکی در طول روز معمولا نوسانات جزئی به وجود می آید که سرج ارستر می تواند این نوسانات را کاملا پاکسازی کند.
- این نوسانات جزئی هر چند ممکن است در لحظه تاثیر زیادی بر روی سیستم نگارند ولی در طولانی مدت باعث فرسایش و کاهش طول عمر مفید وسایل حساس الکترونیکی شوند.
ارتباط برقگیر و هزینه برق مصرفی
ممکن است این سوال برای شما پیش آمده باشد که آیا استفاده از سرج ارستر علاوه بر کارکرد اصلی خود که محافظت از امکانات الکتریکی در برابر سرج می باشد، می تواند در کاهش هزینه های الکتریکی و ذخیره انرژی هم مفید باشد؟ در واقع جواب منفی است. به دلیل آنکه سرج ارستر کارکردش مانند یک دربان است که ورودی ها را چک می کند ولی یک ابزار ذخیره انرزی نیست.
چرا که جریانی که به داخل سرج ارستر وارد می شود، قبلا از دستگاه اندازه گیری جریان برق عبور کرده است و به عنوان برق مصرفی ساختمان محاسبه می شود. پس محافظ سرج تنها به جهت بلوکه کردن ولتاژهای بالا طراحی شده است و نقشی در کاهش قبض برق ساختمان شما نخواهد داشت. البته می تواند در محافظت از وسایل برقی در کل از لحاظ اقتصادی برای شما به صرفه باشد. توصیه می کنیم که در همین راستا از صفحه برقگیر Fanox دیدن فرمایید.[call_to_action title=”” icon=”icon-lamp” link=”https://www.lianelectric.com/product/%d8%a8%d8%b1%d9%82%da%af%db%8c%d8%b1%d9%87%d8%a7%db%8c-fanox/” button_title=”برقگیر Fanox” class=”” target=”_blank” animate=””][/call_to_action]
سوالات متداول
- برقگیر با ولتاژ بالایی که وارد آن می شود چه می کند؟
پاسخ: این ابزار جریان با ولتاژ بالا را از ورود به وسایل الکتریکی منحرف کرده و به اتصالات زمین می فرستد.
- آیا استفاده از این محصول باعث کاهش قبض برق ساختمان می شود؟
پاسخ: خیر. به دلیل آنکه جریان ورودی به برقگیر، قبلا از ابزار اندازه گیری جریان ساختانی عبور کرده و جزو برق مصرفی ساختمان به حساب می آید.
- آیا برقگیر نصب شده در تابلو برق از تمام وسایل الکتریکی خانه محافظت می کند؟
پاسخ: اگر این افزایش ولتاژ از طریق برقگیر به مدارهای داخلی خانه وارد، شود، این وسیله می تواند از همه وسایل محافظت کند. اما در مواردی که مثلا رعد و برق مستقیما با کابل ها و مدارهای الکتریکی برخورد کرده، پیش از آنکه وارد تابلو شود، می تواد آن ها را مورد آسیب و صدمه قرار دهد. جریان ولتاژ بالا می تواند هم از طریق کابل های برق و هم از طریق کابل های تلفن وارد خانه گردد. که برقگیر می تواند از هر دو مسیر به طور کامل محافظت کند.
دلیل این امر آن است که سرج ارستر مسیری را با مقاومت کم فراهم می کند که جریان با ولتاژ بالا از آن عبور کرده و وارد مسیرهای اصلی با مقاومت بالا نشود. برای آنکه بدانید چگونه می توانید به طور کامل ساختمان خود را در برابر صاعقه محافظت کنید، بهتر است با کارشناسان و متخصصان ما در هنزا تماس حاصل فرمایید.[button title=”تماس با ما” link=”https://www.lianelectric.com/%d8%aa%d9%85%d8%a7%d8%b3-%d8%a8%d8%a7-%d9%85%d8%a72/” target=”_blank” align=”” icon=”” icon_position=”” color=”blue” font_color=”” size=”2″ full_width=”” class=”” download=”” rel=””]
[/vc_column_text][/vc_column][/vc_row]


بدون دیدگاه