تنش ها و فشارهای مرسوم در راه اندازی موتور
به هنگام راه اندازی موتور ما با دو نوع تنش مواجه هستیم:
- تنش های الکتریکی : هنگام راه اندازی موتور ولتاژ را با یک شیب ملایم به به مقدار نامی می رساند و این امر منجر می شود جریان راه اندازی تنها به سه برابر مقدار نامی برسد در حالی که با زاه اندازی عادی این جریان تا 8 برابر هم می رسد
- تنش های مکانیکی روی شفت موتور در اثر گشتاور راه اندازی بالا: همچنین از انجایی که موتو خیلی آهسته به دور نامی میرسد گشتاور آن نیز کنترل می شود و از تنش های مکانیکی جلوگیری می شود.
در حالت عادی به محض اتصال برق، الکترو موتور ها تمایل دارند با توان نامی خود کار کنند و راه انداز نرم به وسیله ادوات الکترونیک قدرت موتور را به آهستگی و آرامی به توان نامی خود می رساند. اکنون وظیفه مدار راه انداز نرم در این موضوع است که علاوه بر اینکه ولتاژ را با یک شیب ملایم به موتور تزریق می کند اجازه نمی دهد جریان کشی اولیه موتور از یک مقداری بیشتر شود و در نتیجه موتور به آهستگی و آرامی به توان و دور اسمی خود می رسد . (مقایسه سافت استارتر با درایو کنترل دور)
در تصویر زیر مقایسه ی ولتاژ در زمان راه اندازی در سه روش راه اندازی به ترتیب روی شکل یعنی اتصال مستقیم ، ستاره مثلث و استفاده از راه انداز نرم نمایش داده شده است .

اجزای تشکیل دهنده راه انداز نرم
- مدارات و ادوات قدرت
- منبع تغذیه
- برد کنترلی
- صفحه نمایش جهت نمایش اطلاعات
- ورودی ها و خروجی ها
- پروتکل های ارتباطی
- صفحه کلید و LED ها جهت تنظیمات و هشدارها

مدارات و ادوات قدرت در راه انداز نرم
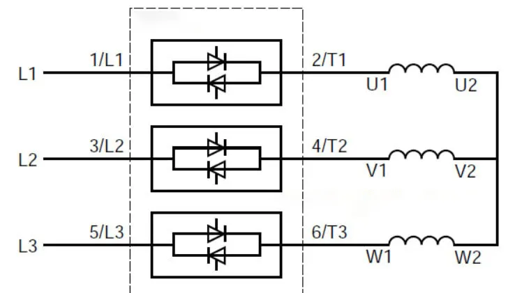
در مدار یک راه انداز نرم از شش عدد تریستور سر راه ولتاژ فازهای R و S و T یا L1، L2،L3 استفاده می شود و برای کنترل ولتاژ و جریان خروجی ، از آنها نمونه برداری شده و به مدارات کنترلی فرستاده می شوند. در شکل زیر در یک نمای کلی نحوه ارتباط شش عدد تریستور بین فازهای ورودی به راه انداز نرم و موتور را مشاهده می کنیم .

حداکثر جریان راه اندازی در راه انداز نرم
هملن طور که قبلا ذگر شد، حداکثر جریان راه اندازی در راه اندازهای نرم تقریبا ۳ برابر جریان نامی موتور است و بنابراین با درنظر داشتن این مسئله در هنگام طراحی و انتخاب تجهیزات برای خرید، جریان قابل تحمل توسط تریستور را معمولا چند برابر جریان نامی درنظر می گیرند . (روش های اتصال راه انداز نرم و موتور کدامند؟)
برد کنترلی در راه انداز نرم
همانطور که ذکر شد در راه اندازهای نرم ولتاژ و جریان به هنگام راه اندازی مدیریت و کنترل می شوند تا موتور به آهستگی به توان اسمی خود برسد و این کار به وسیله همان ۶ عدد تریستور ذکر داده شده انجام می شود اما این تریستورها به این صورت عمل می کنند که توسط سیگنال هایی که به آنها اعمال می شود روشن و خاموش می شوند و با این کار می توانند جریان ابتدایی موتور را در لحظه اولیه راه اندازی کنترل کنند . بنابراین نیاز به یک سری مدارات الکترونیکی و میکروپروسسوری نظیر آی سی ها و چیپ های مخصوص است تا این سیگنال ها را تولید کند و فرمان های مختلف توسط آن پردازش و صادر می شود که همه ی این ها وطیفه این قسمت یعنی برد کنترلی راه انداز نرم است . (عملکرد توابع حفاظت حرارتی و اضافه بار در راه اندازهای نرم)
امیدواریم که مطالب فوق برای شما مفید واقع شده باشد همچنین شما عزیزان می توانید جهت خرید و تعمیرات انواع راه انداز نرم با کارشناسان مجرب شرکت لیان الکتریک مشورت لازم را به عمل بیاورید. (چند نمونه از کاربردهای راه انداز نرم)

بدون دیدگاه