مقدمه
بانک های خازنی به طور گسترده ای از شبکه های انتقال و توزیع و پلنت های صنعتی برای تولید توان راکتیو مورد استفاده قرار می گیرند. بانک های خازنی با اهداف مختلفی مورد استفاده قرار می گیرند و تاثیر قابل توجهی روی توان راکتیو و ولتاژ می گذارند. از آنجا که این دو پارامتر یعنی توان راکتیو ولتاژ پدیده هایی محلی هستند (برخلاف پارامتری مثل فرکانس که پدیده ای سراسری است و در کل یک شبکه به هم پیوسته یکسان است)، بانک های خازنی معمولا در نزدیک بارها نصب می شوند و تاثیرات مثبت بسیاری روی عملکرد شبکه قدرت می گذراند که عبارتند از: تصحیح ضریب توان، کاهش تلفات خطوط الکتریکی، افزایش ظرفیت انتقال توان اکتیو در سیستم و بهبود سطح ولتاژ در نقاط بار. بدین منظور حفاظت آن ها با استفاده از رله های حفاظتی امری ضروریست. در مقاله معرفی انواع تابلو برق از نظر عملکرد به زور خلاصه به عملکرد تابلو های خازنی پرداختیم.

بانک های خازنی باید در برابر خطاهایی که به دلیل شرایط داخلی یا خارجی ایجاد می شوند تحت حفاظت رله های الکتریکی قرار بگیرند. خطاهای داخلی معمولا در اثر خرابی المان های داخلی بانک های خازنی مانند واحدهای خازنی و سایر اجزای تشکیل دهنده بانک خازنی روی می دهند. همچنین سایر خطاهای داخلی همچون قوس الکتریکی بین واحدهای خازنی هم فاز که منجر به اتصل کوتاه می شود و خطاهای فاز به فاز و ارت فالت نیز به این دسته تعلق دارند. بسته به تعداد اجزای دچار خطا، رله حفاظتی ممکن است ابتدا یک هشدار را اعلام کند تا بهره بردار از مساله احتمالی بانک های خازنی آگاه شود. تریپ و قطع عملکرد بانک های خازنی نیز باید اجرا شود در صورتی که استرس روی واحدهای خازنی سالم یا جریان اندازه گیری شده و مولفه های توالی ان از یک حد از پیش تعیین شده عبور کند، تا مقدار آسیب حداقل شود و از خرابی آبشاری واحدها و اجزای سالم بانک های خازنی جلوگیری شود. شرایط خارجی سیستم قدرت نیز ممکن است باعث اعمال استرس هایی بر بانک های خازنی شوند مانند اضافه بار بانک های خازنی در اثر ترکیب اثرهای اضافه ولتاژ و افزایش سطح هارمونیک ها. از سوی دیگر، خود بانک های خازنی نیز می توانند برای سیستم قدرت در شرایط خاص خطر آفرین باشند. در صورتی که سیستم دچار شرایط بحرانی باشد، بانک های خازنی ممکن است باعث رخداد اضافه ولتاژ در سیستم قدرت شوند که روی خود آن ها و سیستم ممکن است اثرات منفی داشته باشد. شما می توانید مقاله های مجزا انواع رله ( بخش اول، دوم و سوم) برای اطلاعات بیشتر را مطالعه بفرمایید.

هدف از حفاظت بانک های خازنی محدود کردن اثر اضافه بار به حدود قابل قبول می باشد و همچنین جلوگیری از آسیب دیدن بانک های خازنی در شرایط بحرانی با جدا کردن آن از شبکه قدرت است. اتصال کوتاه ها و خطاهای زمین بین ترمینال های دژنکتور و بانک های خازنی نیز باید توسط رله های حفاظت بانک های خازنی به موقع برطرف شوند تا آسیب ها حداقل شود و کمترین فشار به سیستم وارد شود.
در این بخش به ارائه توابع حفاظتی مورد نیاز برای بانک های خازنی می پردازیم تا بتوانیم رله حفاظتی مناسب را برای آن ها انتخاب کنیم. همچنین شما می توانید مقالات انواع رله های حفاظتی ترانس بخش اول و دوم را مظالعه کنید.
حفاظت عدم تعادل با رله حفاظتی
به طور ایده آل جریان یا ولتاژ نامتعادل در نقطه نول در اثر جمع کریشهف برای بانک های خازنی سالم به صفر می انجامند. هرچند در عمل به دلیل جزئیات ساخت و عدم دقت کامل در طراحی و تولید واحدهای خازنی عموما مقادیری عدم تعادل حتی در بانک های خازنی سالم وجود دارند که عدم تعادل خود شبکه قدرت نیز در این امر بی تاثیر نیست. خرابی اجزا یا واحدهای خازنی در بانک های خازنی عموما باعث می شوند این نامتعادلی طبیعی به هم بخورد. رله های حفاظتی عدم تعادل برای بانک های خازنی بر اساس بزرگی یا تغییر عدم تعادل در ولتاژ یا جریان طراحی می شوند. این مقادیر تنظیمی می تواند بر اساس پیکربندی بانک های خازنی و پارامترهای طراحی اش محاسبه شود. در ادامه به بررسی رایج ترین طراح های حفاظتی عدم تعادل برای بانک های خازنی می پردازیم. همچنین شما می توانید مقالات حفاظت موتور با رله حفاظتی (بخش اول و دوم) را در باره حفاظت موتور های الکتریکی مطالعه کنید.
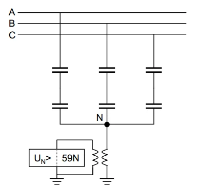
ساده ترین راه برای آشکارسازی عدم تعادل در بانک های خازنی با اتصال ستاره زمین نشده، اندازه گیری نقطه نول ستاره یا ولتاژ توالی صفر می باشد. اگر بانک خازنی متعادل باشد و عدم تعادل نقطه نول سیستم برابر صفر باشد، ولتاژ نول نیز به صورت ایده آل برابر صفر خواهد بود. تغییر در هر کدام از فازهای بانک منجر به تغییر ولتاژ نول یا توالی صفر خواهد شد. شکل زیر طرحی را نشان می دهد که ولتاژ بین نقطه نول و زمین را با استفاده از یک ترانس ولتاژ یا VT اندازه گیری کرده و این مقدار توسط رله حفاظتی پایش می شود. اندازه گیری ولتاژ با استفاده از یک تقسیم کننده ولتاژ مقاومتی نیز امکان پذیر می باشد. خواندن مقاله انواع رله های اضافه جریان بر حسب زمان عملکرد توصیه می شود.

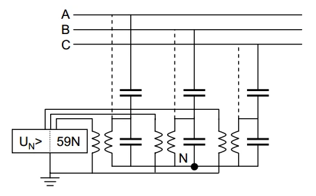
طرح بالا ساده است اما بزرگترین عیب این روش این است که هم عدم تعادل در سیستم قدرت را نشان می دهد و هم عدم تعادل نقطه نول بانک خازنی، این در حالیست که ما تنها به دنبال عدم تعادل در نقطه نول هستیم که نشان دهنده خطا یا خرابی اجزای بانک خازنی می باشد. اگر بتوانیم ولتاژ توالی صفری به دست بیاوریم که در آن عدم تعادل سیستم قدرت حذف شده باشد و تنها نامتعادلی موجود در نقطه نول اندازه گیری شود مساله حل خواهد شد. این طرح را می توان با اتصال 3 ترانس ولتاژ با اتصال ستاره فاز به نول در سمت اولیه و اتصال مثلث شکسته در سمت ثانویه به دست بیاوریم. یک راه دیگر محاسبه عددی ولتاژ توالی صفر با اندازه گیری ولتاژهای فازی می باشد. رله ها تا حدی این قابلیت را دارند. شکل پایین این طرح را نشان می دهد.

در این روش اندازه گیری ها به رله حفاظتی داده می شوند و رله اقدام به اعمال محاسبات توالی روی داده ها می کند. پس از جمع برداری و جداسازی مولفه ها، هر یک از مقادیر ولتاژهای توالی مثبت، توالی منفی و توالی صفر به دست می آیند. در یک سیستم الکتریکی سالم، تنها باید شاهد وجود مقادیر توالی مثبت باشیم و مقادیر توالی منفی و صفر ممکن است نشان دهنده وجود خطا یا خرابی در سیستم باشند. بنابراین، رله حفاظتی در صورت اندازه گیری و آشکارسازی وجود ولتاژی توالی صفر، می تواند این عدم تعادل را تشخیص داده و در صورتی که بزرگی نامتعادلی قابل توجه باشد، بسته به مقادیر تنظیمی در آن توسط بهره بردار، اقدام به تریپ یا اعلام هشدار نماید.
امیدواریم که مطالب فوق برای شما مفید واقع شود، همچنین در وبسایت شرکت لیان الکتریک ویرا می توانید مطالب مرتبط دیگر ما که شامل: اهداف حفاظتی ، رله حفاظتی زیمنس، رله حفاظتی SILG، ، رله حفاظتی بوخهلتس چیست؟ و … می باشد را مطالعه کنید. همچنین شما عزیزان می توانید جهت مشاوره برای خرید انواع رله و طراحی های حفاظتی با مشاورین مجرب مجموعه لیان الکتریک مشورت لازم را به عمل بیاورید.

بدون دیدگاه